Ouvert du lundi au jeudi de 8h à 12h et de 13h à 17h
et le vendredi de 8h à 12h et de 13h à 16h
04 92 43 88 07
(Gratuit)
Ouvert du lundi au jeudi de 14h à 17h
et le vendredi de 14 à 16h
04 74 80 16 92
(Gratuit)

BOUTIQUE EN LIGNE 100% FRANçAISE
Notre Service client, SAV, atelier de réparation, entrepôt et transporteurs sont 100% Français depuis notre création en 2003.
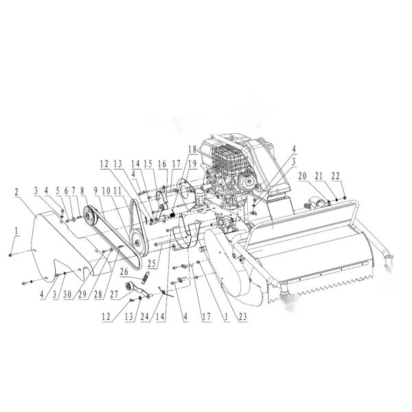
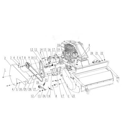
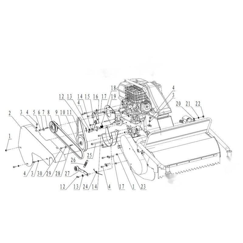
Courroie 17x1400LW pour tondeuse débroussailleuse broyeuse ELECTRPOWER MX663
[+] Informations détailléesCourroie N°9 pour d'entrainement primaire, du moteur à l'axe d'entrainement des fléaux pour la tondeuse débroussailleuse broyeuse ELECTRPOWER MX663.
17x1400LW

ELECTROPOWER est une marque française déposée, créée dès 2007 pour offrir aux clients français et européens, particuliers comme professionnels, des produits du jardin et de l’atelier de qualité. Elle élabore en France ses fendeurs et fendeuses de bûches, groupes électrogènes, broyeurs de végétaux, motobineuses, motoculteurs, nettoyeurs haute pression…
En 2019, son travail de qualité et son suivi de fabrication strict sont récompensés par un taux de SAV inférieur à 1% !
TOUPOUR.COM propose toute la gamme ELECTROPOWER.
ELECTROPOWER a toujours fait le choix dans sa stratégie de la qualité ET du prix, sans compromis.